Pam Bubur Davey KZN
Ciri-ciri utama:
- Pam air jenis tugas berat.
- Sesuai untuk mengepam enap cemar dan slurry.
- Jaminan 12 bulan untuk pam & motor.
- 12 bulan waranti untuk pam, & motor.
- Pemasangan mudah dan terus terang.
Pengelasan:
Gambaran Keseluruhan Pam Bubur Davey KZN
Nyahair tugas berat
Pam sump model KZN ialah pam nyahair jenis pelepasan atas yang komersial dan tugas berat, direka untuk mengepam air yang sangat kotor serta sisa ladang.
Dilengkapi dengan pengacau masuk tugas berat, rangkaian KZN sesuai untuk mengepam enap cemar dan slurry. Model dalam rangkaian ini:
- DT37KZN – 3.7kW dengan saluran keluar 3″
- DT55KZN – 5.5kW dengan saluran keluar 4″
- DT55KZN-H – 5.5kW dengan saluran keluar 3″
- DT75KZN – 7.5kW dengan saluran keluar 4″
- DT75KZN-H – 7.5kW dengan saluran keluar 4″
- DT110KZN – 11.0kW dengan saluran keluar 4″
- DT110KZN-H* – 11.0kW dengan saluran keluar 4″
- DT150KZN – 15.0kW dengan saluran keluar 6″
- DT150KZN-L* – 15.0kW dengan saluran keluar 6″
- DT220KZN – 22.0kW dengan saluran keluar 6″
Aplikasi
Sesuai untuk penyingkiran air tanah dan air bertakung, saliran dari empangan, sistem pembetungan, terowong, projek penambahbaikan sungai serta tapak pembinaan. Prestasi terbukti dalam mengepam cecair berlumpur dan slurry di kuari, lombong dan projek industri.
Ciri-ciri dan Kelebihan
Aci keluli tahan karat 410 tahan kakisan serta sarung aci keluli tahan karat
- Jangka hayat perkhidmatan yang panjang
- Tahan hentakan dan tahan lama
- Sarung aci mudah diganti untuk mengurangkan kehausan pada aci
Pendesak separa terbuka berbilang bilah, tahan haus, krom tinggi
- Mampu mengendalikan kepekatan pepejal kasar sehingga 70% mengikut berat
Pam dilengkapi pengacau krom tinggi tugas berat
- Memastikan ruang aliran dan pendesak kekal lancar dengan menggerakkan pepejal dalam suspensi, mengelakkan pam tersumbat
Pengedap mekanikal dwi silikon karbida
- Tahan lelasan
- Diletakkan dalam ruang minyak berasingan untuk melindungi motor
- Perlindungan tambahan dengan pengedap bibir tugas berat
Pelepasan atas dengan jaket air motor
- Reka bentuk langsing mengurangkan risiko kerosakan pada saluran keluar semasa pengangkutan
- Membolehkan pengepaman hampir ke dasar tanpa risiko terlalu panas
Volut besi tuang mulur yang dikeraskan
- Dituang dengan dinding ekstra tebal (kekerasan 300 Brinell), dua kali lebih tahan lelasan berbanding besi tuang mulur standard, memastikan ketahanan lebih tinggi
Plat haus boleh diganti
- Permukaan dikeraskan pada bahagian sedutan mengurangkan hakisan yang boleh menjejaskan prestasi pam
Penapis terbuka besar
- Melindungi daripada kemasukan pepejal bersaiz besar ke dalam pam
Gelang pengangkat
- Memudahkan pengangkatan dan pengangkutan pam
Had Operasi
| Had Operasi | |
|---|---|
| Kapasiti sehingga | 6250 lpm (375m3 /hr) |
| Ketinggian jumlah maksimum | 36m / 118.11 ft |
| Kedalaman rendaman maksimum | 15m / 49.21 ft |
| Suhu maksimum air dipam | 40°C / 104°F |
Bahan Pembinaan
| Bahan Pembinaan | |
|---|---|
| Bahagian | Bahan |
| Bahagian atas motor dan perumah | FC200 |
| Badan pam | Besi tuang mulur FCD450 yang dikeraskan |
| Penutup sedutan | Besi krom tinggi (23%) |
| Pengacau | Besi krom tinggi (23%) |
| Saluran keluar | Besi tuang FC200 |
| Penapis | Keluli (TBA) |
| Pendesak | Besi krom tinggi (23%) |
| Pengedap bibir | Nitrile |
| Aci pam | Keluli tahan karat 410 |
| Pengedap mekanikal | Silikon karbida dwi |
| Perumah pengedap dan galas bawah | Besi tuang FC200 |
| Pengikat dan palam | Keluli tahan karat 304SS |
| Kabel bekalan kuasa | Besi krom tinggi (23%) |
Data Elektrik
| Electrical Data | ||||||
|---|---|---|---|---|---|---|
| Modal | DT37KZN | DT55KZN-H/DT55KZN | DT75KZN-H/DT55KZN | DT110KZN-H/DT110KZN | DT150KZN-L/DT150KZN | DT220KZN-L/DT220KZN |
| Voltan bekalan | 380-415V / 50Hz / 3 phase | |||||
| Panjang kabel | 20m / 65.62 ft | |||||
| Kelajuan (rpm) | 1450 rpm | |||||
| Kelas penebatan | Class H | |||||
| Penarafan IP | IP 68 | |||||
| Kaedah mula | DOL | |||||
| Kuasa input (P1) (kW/HP) | 4.4/5.9 | 6.9/9.25 | 9.75/13.1 | 14/18.8 | 17.6/23.6 | 26.4/35.4 |
| Kuasa output (P2) (kW/HP) | 3.7/5 | 5.5/7.5 | 7.5/10.0 | 11.0/15.0 | 15.0/20.0 | 22.0/30.00 |
| Arus mula (A) | 50 | 63 | 73 | 103 | 134 | 182 |
| Arus operasi (A) | 8 | 11.5 | 15.7 | 29.9 | 36.5 | 45.5 |
Cecair Yang Sesuai
Air yang mengandungi pepejal lembut dan/atau pepejal keras dalam keadaan terampai, sehingga 70% mengikut berat. Sedikit kehausan dijangka apabila mengepam pepejal keras. Tidak sesuai untuk bahan atau cecair yang mudah meletup atau mudah terbakar.
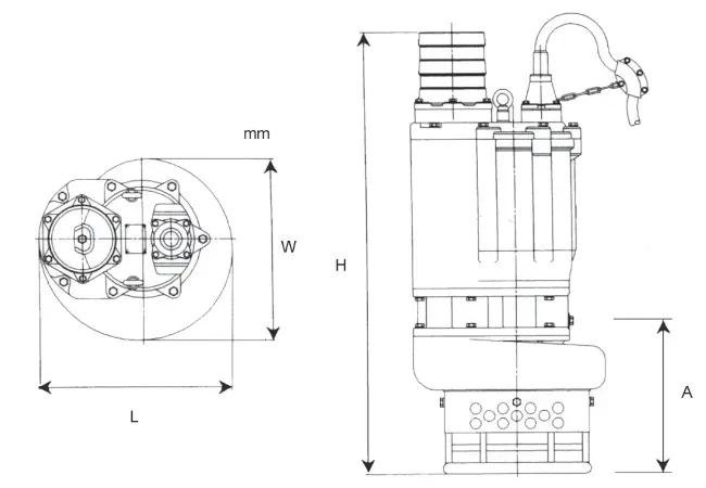
Dimensi (mm)
| Dimensi (mm) | |||||||
|---|---|---|---|---|---|---|---|
| Modal | “A” – Kedalaman Rendaman Minimum | Port pelepasan (saluran keluar) | Saiz pepejal maksimum (mm) | Berat (kg) | L (mm) | W (mm) | H (mm) |
| DT37KZN | 285 | 3″ | 20 | 130 | 420 | 410 | 820 |
| DT55KZN-H | 293 | 3″ | 25 | 150 | 420 | 410 | 820 |
| DT55KZN | 4″ | 25 | 150 | 420 | 410 | 820 | |
| DT75KZN-H | 4″ | 25 | 180 | 420 | 410 | 840 | |
| DT75KZN | 4″ | 25 | 180 | 420 | 410 | 840 | |
| DT110KZN-H | 390 | 4″ | 35 | 245 | 565 | 485 | 1100 |
| DT110KZN | 6″ | 35 | 245 | 565 | 485 | 1100 | |
| DT150KZN | 370 | 6″ | 35 | 265 | 565 | 485 | 1100 |
| DT150KZN-L | 6″ | 35 | 265 | 565 | 485 | 1100 | |
| DT220KZN | 414 | 6″ | 35 | 410 | 578 | 543 | 1325 |
| DT220KZN-L | 6″ | 35 | 410 | 578 | 543 | 1325 | |
Prestasi Hydraulik Pam Bubur Davey KZN DT37KZN, DT55KZN/-H, & DT75KZN/-H
Prestasi Hydraulik Pam Bubur Davey KZN DT110KZN/-H, DT1150KZN/-L, & DT220KZN/-L
Dalam Kotak
Pam Bubur Davey KZN
Manual Pengguna
Bukti Pembelian
12 Bulan Waranti Pengeluar
Borang Perhubungan